Blog
Om os
Kundeservice
Min side
Søg på VVS nummer
Nyhedsbrev
Gå til kurven
Forside
>
Grohe
>
Grohe Minta kappe - Supersteel
Badeværelse
Køkken
Varme og styring
Rør, fittings og tilbehør
Ventiler og stophaner
Vandbehandling
Vandforsyning
Afløb og kloak
Regnvandshåndtering
Tagrender
Indeklima
Hus og Have
Lamper
Care
Centralstøvsuger
Outlet
Badeværelse makeover
Pressalit toiletsæder
Dansani bruseglas & møbler
Grohe Essence
Grohe QuickFix
Reservedele
Vola reservedele
Alterna reservedele
Blanco reservedele
Børma reservedele
Cassøe reservedele
Damixa reservedele
Danfoss reservedele
Duravit reservedele
Eglo reservedele
Eico reservedele
FM Mattsson
reservedele
Franke reservedele
Frostline
reservedele
Geberit reservedele
Grohe reservedele
Grohe reservedele til håndvaskarmatur
Grohe reservedele
til køkkenarmatur
Grohe reservedele til brus
Grohe reservedele til indbygningscisterne
Grohe reservedele til toilet
Grohe reservedele til Grohe Red
Grohe reservedele til Grohe Blue
Diverse Grohe reservedele og værktøj
Gustavsberg
reservedele
Hafa reservedele
Hansgrohe
reservedele
Ideal Standard
reservedele
Ifö reservedele
Intra reservedele
KWC reservedele
Oras reservedele
Pressalit
reservedele
Quooker reservedele
Roth reservedele
Svedbergs
reservedele
Vaillant reservedele
Villeroy & Boch
reservedele
Westerbergs
reservedele
Diverse reservedele
Grohe Minta kappe - Supersteel
Antal
Fragt: 65,-
419,-
Køb
VVS-nummer:
46025DC0
Varenummer:
46025DC0
Leveringstid:
5-10 hverdage
Fri fragt fra 4.995,-
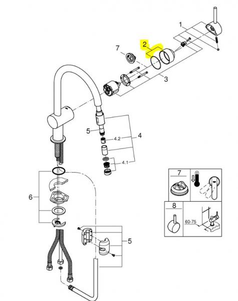
Delen er markeret på billedet
Chat med os
Send en mail
Et godt tilbud
Indhent tilbud her
Fragt fra 45,-
Fri fragt fra 4.995,-
Sikker handel
Godkendt webshop
VIND gavekort på 1000 kr!
Tilmeld dig vores nyhedsbrev. Vinder for marts: Bjarne Fyhn
Navn:
Tilmeld
E-mail:
Konkurrence - Deltag her