Geberit

Geberit Duofix element til væghængt toilet 112 cm m/Sigma cisterne - til central udsugning

Geberit Duofix element til væghængt toilet 112 cm m/Sigma cisterne - til central udsugningGeberit Duofix element til væghængt toilet 112 cm m/Sigma cisterne - til central udsugning
Antal
Fragt: 99,-
3.976,-
VVS-nummer:617060362
Varenummer:111.364.00.6
Leveringstid:5-10 hverdage
Betjening:Front
Placering:På lige væg
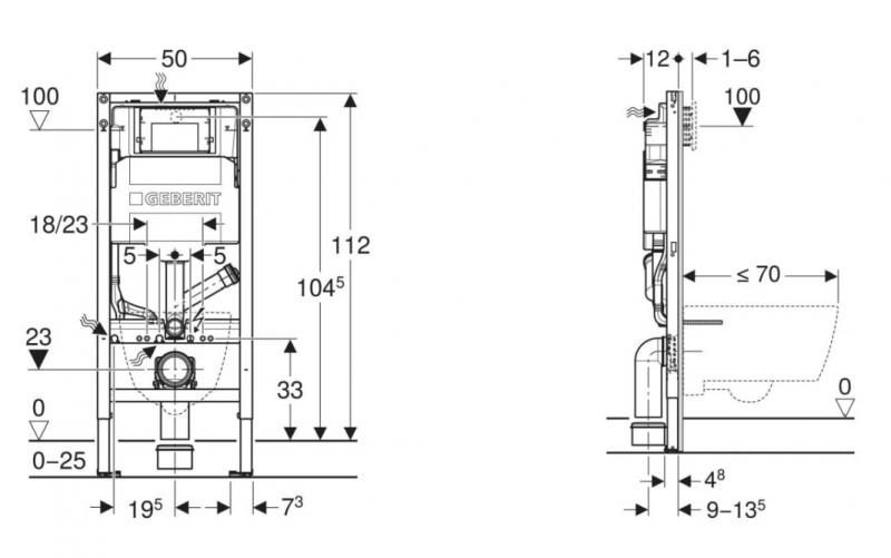
Højde:112 cm
Montering:Inde i væg (traditionel indbygning)
Anvendelse:Toilet
Fri fragt fra 4.995,-

Geberit Duofix element til væghængt toilet 112 cm m/Sigma cisterne - til central udsugning

Anvendelse:

  • Til vægge med metal- og træskeletter
  • Til Geberit Duofix systemvægge
  • Til montering i halvhøje eller hele installationsvægge
  • Til montering i hele skillevægge
  • Til gulvkonstruktioner 0–25 cm
  • Til væghængte toiletter
  • Til tilslutning af en ekstern lugtudsugning
  • Ikke egnet til væghængte WC-skåle med forhøjet siddeposition eller integreret skylleslange

Egenskaber

  • Serie 2025
  • Statisk selvbærende ramme, med pulverlakeret korrosionsbeskyttelse
  • Ramme til væghængte toiletter med tilslutningsmål iht. EN 33 og fremspring op til 70 cm
  • Med udtræksplade til fastgørelse på siden over elementet ved metal- eller træprofiler eller ved Geberit Duofix skaktelementer
  • Alternativ fastgørelsesposition for vægbeslag
  • Fodplader drejelige, der passer til montering i U-profiler UW 50 og UW 75
  • Fodplader kan monteres i Geberit Duofix systemskinne uden værktøj, uden ekstra komponenter
  • Fodstøtter forzinkede, korrosionsbeskyttede, med skridsikring
  • Afløbsbøjning i forskellige dybdepositioner kan monteres uden brug af værktøj, indstillingsområde 45 mm
  • Geberit Sigma indbygningscisterne 12 cm, kondensvandisoleret
  • Til front betjening, velegnet til enkelt-, dobbelt- eller skyl-stopskylning
  • Ved fabriksindstilling mulighed for øjeblikkeligt efterskyl
  • Ekstern lugtudsugning med tilslutningsmuffe ø 50 mm kan tilsluttes via skyllerørsbøjning
  • Monterings- og servicearbejde på indbygningscisterne uden værktøj
  • Vandtilslutning bag eller foroven midtpå
  • Montagekasse kan afkortes, beskytter mod fugt og smuds
  • Med tomrør til føderør til Geberit AquaClean douchetoiletter og til tilslutningskabel
  • Fastgørelse for eltilslutning samt Power & Connect Box
 
VIND gavekort på 1000 kr!
Tilmeld dig vores nyhedsbrev. Vinder for marts: Bjarne Fyhn
Navn: 
E-mail: